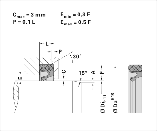
Fabric shaft seal WGW

The radial seal type WGW is especially used for rotational sealing of shaft lead-throughs in wind mills. It has particular advantages in any application where corrosion, large diameters and difficult assemblies could be a problem for traditional metal case seals! Type WGW is characterised by a finger-spring which ensures a uniform distribution of pressure on the shaft by the highly flexible lip of elastomer.

Versions:
WGW-A (standard)
WGW-C (with friction optimised sealing lip)

Application Range
Pressure: ≤ 1 bar
Sliding Speed: ≤ 15 m/s
Temperature NBR/Fabric: -30 °C / +100 °C (+120)*
Temperature HNBR/Fabric: -40 °C / +150 °C (+175)*
Temperature EPDM/Fabric: -40 °C / +140 °C (+150)*
Temperature VMQ/Fabric: -50 °C / +200 °C (+250)*
Temperature FKM/Fabric: -20 °C / +200 °C (+250)*
* temporarily

For detailled information, please look at the specific PDF catalogue or contact our application engineers.

Load product catalog

Are you missing materials or dimensions?

Feel free to contact us!

Our sealing experts will be happy to advise you!

+49(201)86606-0 or vk@techno-parts.de