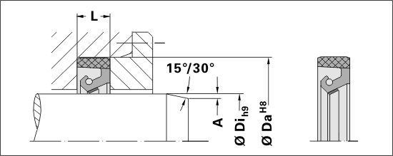
Fabric shaft seal WG9

Shaft seal with back of fabric for heavy machine construction with friction optimised sealing lip. Suitable for sliding speed up to 40 m/s.

Application Range
Pressure: ≤ 0,5 bar
Sliding Speed: ≤ 15 m/s
Temperature NBR/Fabric: -30 °C / +100 °C (+120)*
Temperature HNBR/Fabric: -40 °C / +150 °C (+175)*
Temperature VMQ/Fabric: -50 °C / +200 °C (+250)*
Temperature FKM/Fabric: -20 °C / +200 °C (+250)*
* temporarily

Other materials are available for very high or very low operating temperatures. For detailled information, please look at the specific PDF catalogue or contact our application engineers.

Load product catalog

Are you missing materials or dimensions?

Feel free to contact us!

Our sealing experts will be happy to advise you!

+49(201)86606-0 or vk@techno-parts.de