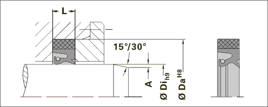
Fabric shaft seal WG8
Fabric shaft seal for heavy machine construction with dust lip, similar to WG5.
Versions: WG8-A (standard)
WG8-B (covered spring)
WG8-C (friction optimised sealing lip)
WG8-D (covered spring and friction optimised sealing lip)
Application Range
Pressure: ≤ 0,5 bar
Sliding Speed: ≤ 15 m/s (NBR)
Temperature NBR/Fabric: -30 °C / +100 °C (+120)*
Temperature HNBR/Fabric: -40 °C / +150 °C (+175)*
Temperature VMQ/Fabric: -50 °C / +200 °C (+250)*
Temperature FKM/Fabric: -20 °C / +200 °C (+250)*
* temporarily
Other materials are available for very high or very low operating temperatures. For detailled information, please look at the specific PDF catalogue or contact our application engineers.
Load product catalogAre you missing materials or dimensions?
Feel free to contact us!
Our sealing experts will be happy to advise you!
Filter
| Di [mm] | Da [mm] | L [mm] | |
|---|---|---|---|
| Min: | |||
| Max: |
| Material selection | |
|---|---|
| Material: | |
| Material No. |
| Profile | Di [mm] | Da [mm] | L [mm] | Material | Mat. No. | V | Quantity |
|---|