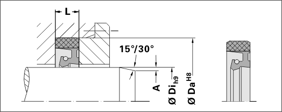
Fabric shaft seal WG3

Fabric shaft seal for heavy machine construction.

Versions:
WG3-A (standard)
WG3-B (covered spring)
WG3-C (friction optimised sealing lip)
WG3-D (covered spring and friction optimised sealing lip)

Application Range
Pressure: ≤ 6 bar *
Sliding Speed: ≤ 15 m/s **
Temperature NBR/Fabric: -30 °C / +100 °C (+120)***
Temperature HNBR/Fabric: -40 °C / +150 °C (+175)***
Temperature VMQ/Fabric: -50 °C / +200 °C (+250)***
Temperature FKM/Fabric: -20 °C / +200 °C (+250)***
* Maximum value depending on sliding speed
** Maximum value depending on pressure
*** temporarily

Other materials are available for very high or very low operating temperatures. For detailled information, please look at the specific PDF catalogue or contact our application engineers.

Load product catalog

Are you missing materials or dimensions?

Feel free to contact us!

Our sealing experts will be happy to advise you!

+49(201)86606-0 or vk@techno-parts.de