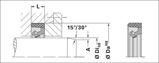
Fabric shaft seal for wind mills WGV

The radial seal type WGV is especially used for rotational sealing of shaft lead-throughs in wind mills, but is also deployed in heavy machine construction, transmission construction, shipbuilding and wind mills. It has particular advantages in any application where misalignments and vibrations can occur! The back of the seal is made of a fabric reinforced and high resistance elastomer, specifically modified for the exceptional requirements of wind mills. The highly flexible sealing lip is supported by a coil spring.

Versions:
WGV-A (standard)
WGV-C (with friction optimised sealing lip)

Application Range
Pressure: ≤ 0,5 bar
Sliding Speed: ≤ 15 m/s
Temperature NBR/Fabric: -30 °C / +100 °C (+120)*
Temperature HNBR/Fabric: -40 °C / +150 °C (+175)*
Temperature VMQ/Fabric: -50 °C / +200 °C (+250)*
Temperature FKM/Fabric: -20 °C / +200 °C (+250)*
* temporarily

Other materials are available for very high or very low operating temperatures. For detailled information, please look at the specific PDF catalogue or contact our application engineers.

Load product catalog

Are you missing materials or dimensions?

Feel free to contact us!

Our sealing experts will be happy to advise you!

+49(201)86606-0 or vk@techno-parts.de