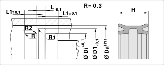
Pneumatic Piston Seal 2P8
Double lip seal for two-sided pressurisation in pneumatic applications.
Application Range
Pressure: ≤ 16 bar
Temperature: -20 °C / +80 °C
Sliding Speed: ≤ 1 m/s
Standard Material: NBR
Other materials are available for very high or very low operating temperatures. For detailled information, please look at the specific PDF catalogue or contact our application engineers.
Load product catalogAre you missing materials or dimensions?
Feel free to contact us!
Our sealing experts will be happy to advise you!
Filter
| Da [mm] | Di [mm] | H [mm] | L [mm] | |
|---|---|---|---|---|
| Min: | ||||
| Max: |
| Material selection | |
|---|---|
| Material: | |
| Material No. |
| Profile | Da [mm] | Di [mm] | H [mm] | L [mm] | Material | Mat. No. | V | Quantity |
|---|