Seal Wiper 1P4
Seal wipers for small cylinders in pneumatic applications.
Application Range
Pressure NBR: ≤ 10 bar
Pressure PUR, FKM: ≤ 16 bar
Temperature NBR: -10 °C / +80 °C
Temperature PUR: -35 °C / +80 °C
Temperature FKM: -20 °C / +160 °C
Sliding Speed: ≤ 1 m/s
Other materials are available for very high or very low operating temperatures. For detailled information, please look at the specific PDF catalogue or contact our application engineers.
Load product catalogAre you missing materials or dimensions?
Feel free to contact us!
Our sealing experts will be happy to advise you!
Filter
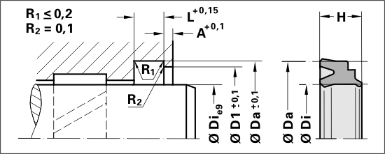
| Di [mm] | Da [mm] | H [mm] | L [mm] | |
|---|---|---|---|---|
| Min: | ||||
| Max: |
| Material selection | |
|---|---|
| Material: | |
| Material No. |
| Profile | Di [mm] | Da [mm] | H [mm] | L [mm] | Material | Mat. No. | V | Quantity |
|---|