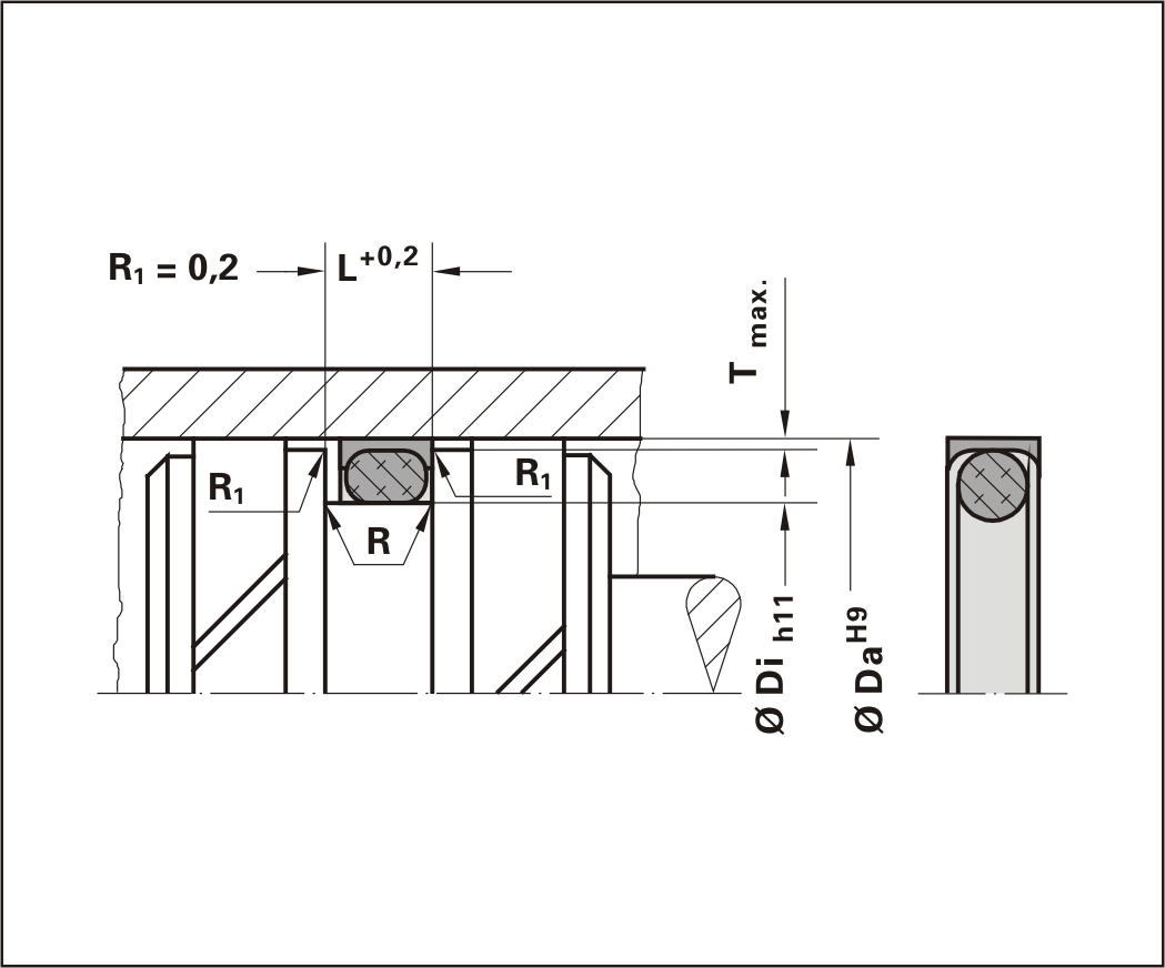
Glide Seal Set 2G4
Glide seal set for O-ring fitting areas according to ASA 568 A. Depending on compound and elastomer, adaptable to many media and operating conditions.
Application Range
Pressure: ≤ 350 bar
Temperature: -30 °C / +100 °C
Sliding Speed: ≤ 4 m/s
Standard Material: 0045X
Other materials are available for very high or very low operating temperatures. For detailled information, please look at the specific PDF catalogue or contact our application engineers.
Load product catalog Material Code
Material Combinations for Glide Seal Sets
| Material of Glide Ring | Material Properties of Glide Ring | O-Ring Material |
|---|---|---|
| Material of Glide RingPTFE/Carbon Fibre (31T) | Material Properties of Glide RingHigh pressure resistance, very good chemical resistance, good thermal conductivity, high wear resistance | O-Ring MaterialNBRFKM |
| Material of Glide RingPTFE/Carbon Fibre (31T) | Material Properties of Glide RingHigh pressure resistance, very good chemical resistance, good thermal conductivity, high wear resistance | O-Ring MaterialFKM |
| Material of Glide RingPTFE/Carbon (05T) | Material Properties of Glide RingHigh pressure resistance, very good chemical resistance, good thermal conductivity | O-Ring MaterialNBRFKM |
| Material of Glide RingPTFE/Carbon (05T) | Material Properties of Glide RingHigh pressure resistance, very good chemical resistance, good thermal conductivity | O-Ring MaterialFKM |
| Material of Glide RingPTFE/Carbon/Graphite (93T) | Material Properties of Glide RingHigh pressure resistance, good chemical resistance, good thermal conductivity | O-Ring MaterialNBRFKM |
| Material of Glide RingPTFE/Carbon/Graphite (93T) | Material Properties of Glide RingHigh pressure resistance, good chemical resistance, good thermal conductivity | O-Ring MaterialFKM |
| Material of Glide RingPTFE/Bronze (10T) | Material Properties of Glide RingEspecially high pressure resistance, high thermal conductivity, high wear resistance, not suitable for acids and aqueous solutions | O-Ring MaterialNBRFKM |
| Material of Glide RingPTFE/Bronze (10T) | Material Properties of Glide RingEspecially high pressure resistance, high thermal conductivity, high wear resistance, not suitable for acids and aqueous solutions | O-Ring MaterialFKM |
| Material of Glide Ringmod. PTFE/Bronze (17T) | Material Properties of Glide RingVery high pressure resistance, high wear resistance, high thermal conductivity, not suitable for acids and aqueous solutions | O-Ring MaterialNBRFKM |
| Material of Glide Ringmod. PTFE/Bronze (17T) | Material Properties of Glide RingVery high pressure resistance, high wear resistance, high thermal conductivity, not suitable for acids and aqueous solutions | O-Ring MaterialFKM |
| Material of Glide Ringmod. PTFE (25T) | Material Properties of Glide RingVery good chemical resistance, suitable for food stuff applications | O-Ring MaterialNBRFKM |
| Material of Glide Ringmod. PTFE (25T) | Material Properties of Glide RingVery good chemical resistance, suitable for food stuff applications | O-Ring MaterialFKM |
| Material of Glide RingPTFE/Ekonol (22T) | Material Properties of Glide RingFor medium duties and soft sliding surfaces, suitable for food stuff applications | O-Ring MaterialNBREPDM |
| Material of Glide RingPTFE/Ekonol (22T) | Material Properties of Glide RingFor medium duties and soft sliding surfaces, suitable for food stuff applications | O-Ring MaterialEPDM |
| Material of Glide RingPTFE/Glass (04T) | Material Properties of Glide RingHigh pressure resistance, very good chemical resistance | O-Ring MaterialNBR |
| Material of Glide RingPUR/NBR (07P) | Material Properties of Glide RingHigh pressure resistance, limited temperature and chemical resistance | O-Ring MaterialNBR |
| Material of Glide RingPE (03M) | Material Properties of Glide RingFor medium duties in water hydraulic and pneumatic applications, very high wear resistance, suitable for pharmaceutical and food stuff applications | O-Ring MaterialNBREPDM |
| Material of Glide RingPE (03M) | Material Properties of Glide RingFor medium duties in water hydraulic and pneumatic applications, very high wear resistance, suitable for pharmaceutical and food stuff applications | O-Ring MaterialEPDM |
Are you missing materials or dimensions?
Feel free to contact us!
Our sealing experts will be happy to advise you!
Filter
| Da [mm] | Di [mm] | L [mm] | |
|---|---|---|---|
| Min: | |||
| Max: |
| Material selection | |
|---|---|
| Material: | |
| Material No. |
| Profile | Da [mm] | Di [mm] | L [mm] | Material | Mat. No. | V | Quantity |
|---|