Double action wiper 1AV
Double wiper with dirt shield and pressure relief drill hole.Particularly suitable for applications in mobile hydraulics.
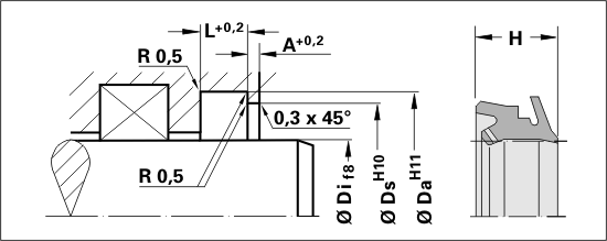
Design: The double wiper has two elastic lips made of PUR, one of which acts as a wiper lip and one as a sealing lip. The sealing lip reduces the residual oil film by wiping it inwards. An additional dirt shield prevents the penetration of dirt and moisture, especially on vertical cylinder rods. It also has a pressure relief hole, which prevents a pressure build up between the wiper lip and the sealing-/wiper lips.
Application Range
Temperature: -35 °C / +100 °C
Sliding Speed: ≤ 2 m/s
Standard Material: PUR
Other materials are available for very high or very low operating temperatures. For detailled information, please look at the specific PDF catalogue or contact our application engineers.
Load product catalogAre you missing materials or dimensions?
Feel free to contact us!
Our sealing experts will be happy to advise you!
Filter
| Di [mm] | Da [mm] | H [mm] | |
|---|---|---|---|
| Min: | |||
| Max: |
| Material selection | |
|---|---|
| Material: | |
| Material No. |
| Profile | Di [mm] | Da [mm] | H [mm] | Material | Mat. No. | V | Quantity |
|---|