Wiper 1AP

The wiper 1AP is universally applicable and particularly suitable for applications where a tight fit in an open housing and protection of the housing against possible damage during installation and removal of the wiper is required. In the PUR version, the wiper 1AP is particularly wear-resistant.

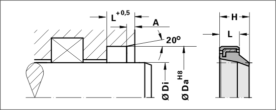
Design: The wiper consists of a elastomere wiper ring and a metal cage firmly connected to it, which is covered with elastomere.

Application Range
Temperature Hydraulics: -35 °C / +100 °C
Temperature Pneumatics: -35 °C / +80 °C
Sliding Speed: ≤ 2 m/s
Standard Materials: NBR, PUR

Other materials are available for very high or very low operating temperatures. For detailled information, please look at the specific PDF catalogue or contact our application engineers.

Load product catalog

Are you missing materials or dimensions?

Feel free to contact us!

Our sealing experts will be happy to advise you!

+49(201)86606-0 or vk@techno-parts.de

Filter

Di [mm] Da [mm] H [mm]
Min:
Max:
Material selection
Material:
Material No.
Profile Di [mm] Da [mm] H [mm] Material Mat. No. V Quantity