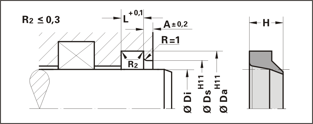
Wiper 1A5
The wiper 1A5 is universally applicable and suitable for all applications in general mechanical engineering. Depending on profile width and diameter, snap fit in closed and undercut housings is possible. Pressurisation against the back of the wiper should be prevented. In the PUR version, the wiper 1A5 is particularly suitable where increased wear resistance is required.
Application Range
Temperature NBR: -30 °C / +100 °C
Temperature PUR - Hydraulic Oils (Mineral Oil Basis): -35 °C /+100 °C
Temperature PUR - Water, Emulsions ≤ 50 °C
Sliding Speed NBR: ≤ 2 m/s
Sliding Speed PUR: ≤ 1 m/s
Standard Material: NBR, PUR
Other materials are available for very high or very low operating temperatures. For detailled information, please look at the specific PDF catalogue or contact our application engineers.
Snap fit is dependent on the profile width and diameter in the case of the materials POM, PA and PE.
Also available in special sizes at short notice from current production.
Are you missing materials or dimensions?
Feel free to contact us!
Our sealing experts will be happy to advise you!
Filter
| Di [mm] | Da [mm] | H [mm] | L [mm] | |
|---|---|---|---|---|
| Min: | ||||
| Max: |
| Material selection | |
|---|---|
| Material: | |
| Material No. |
| Profile | Di [mm] | Da [mm] | H [mm] | L [mm] | Material | Mat. No. | V | Quantity |
|---|